The performance parameters of this product cover multiple dimensions and are suitable for complex electrical scenarios:
Electrical characteristics: The rated voltage is AC/DC60V, and the rated current includes Power10A (to meet power transmission requirements and adapt to equipment power supply); With a withstand voltage of 500V, insulation impedance greater than 20M Ω, and contact resistance less than 10m Ω, it lays a solid foundation for stable and low loss transmission of electrical energy and is suitable for connecting conventional power equipment.
Mechanical performance: The recommended usage frequency is 2000 cycles. In terms of insertion and extraction force, the maximum insertion force is 60N and the minimum extraction force is 20N. While meeting the requirements of operational strength, it ensures the stability and durability of the insertion and extraction process, and is suitable for conventional connection and disconnection scenarios.
Environmental resistance performance: The protection level is not clearly specified (displayed as "/"), the working temperature covers -25 ° C~+80 ° C, and stable operation can be attempted under conventional climate conditions and industrial conditions (due to doubts about the protection level, actual environmental adaptability needs to be judged based on specific protection capabilities).
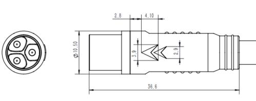
Other specifications: The maximum diameter is 14mm, and the contact material is made of tin plated copper (with excellent conductivity and corrosion resistance); The cable specification is compatible with a power supply of 18AWG (to match power transmission requirements and ensure stable power supply), accurately matching wiring requirements.